Variac: Funzionamento e campi d'utilizzo
Variac è il nome del marchio di un autotrasformatore variabile. Un autotrasformatore variabile è un trasformatore a bobina singola in cui vengono utilizzate due porzioni della stessa bobina come primaria e secondaria. Gli autotrasformatori variabili vengono utilizzati per gli stessi scopi dei normali trasformatori, ma gestiscono tensioni inferiori. Si differenziano inoltre dai normali autotrasformatori in quanto sono dotati di interruttore automatico per aumentare o diminuire automaticamente una tensione, a seconda delle condizioni preimpostate.
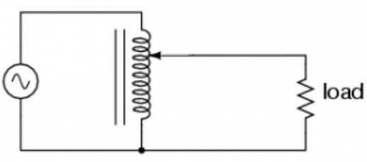
Come funzionano i Variac
Gli autotrasformatori variabili sono costituiti da un normale trasformatore per esporre parte della bobina, una spazzola scorrevole e qualsiasi interruttore automatico richiesto da un particolare Variac. Nell'autotrasformatore, una tensione primaria è collegata dal basso a un avvolgimento specifico noto come "rubinetto" e una tensione secondaria è collegata dal basso a un avvolgimento separato. Ogni avvolgimento o presa rappresenta una tensione diversa. Quando le tensioni viaggiano attraverso la bobina sia dal primario che dal secondario, la tensione complessiva viene aumentata o diminuita, a seconda della posizione delle tensioni primaria e secondaria e del numero di prese tra di esse. In un autotrasformatore variabile, la tensione secondaria viene applicata alla porzione esposta dell'autotrasformatore tramite una spazzola scorrevole conduttiva.

Campi d'applicazione
Gli autotrasformatori variabili regolano automaticamente le tensioni per le apparecchiature industriali, simulano le condizioni della linea di alimentazione e controllano gli interruttori che dipendono da eventi esterni. Gli autotrasformatori variabili vengono utilizzati anche come alternative automatiche ai normali autotrasformatori, che possono essere utilizzati in qualsiasi situazione in cui può essere un normale trasformatore. Sono più leggeri, meno costosi e gestiscono tensioni più basse, generalmente comprese tra 110 V e 240 V.
Vantaggi e svantaggi dell'utilizzo del Variac
Gli autotrasformatori variabili hanno diversi importanti vantaggi che altri trasformatori, inclusi i normali trasformatori e gli autotrasformatori, non hanno. Ad esempio, gli autotrasformatori variabili richiedono meno avvolgimenti e un nucleo più piccolo rispetto a un normale trasformatore, consentendo loro di essere utilizzati in applicazioni più piccole. Inoltre, gli autotrasformatori variabili possono essere automatizzati, consentendo loro di cambiare rapidamente tra i rapporti di tensione. Tuttavia, gli autotrasformatori variabili non forniscono l'isolamento elettrico tra i loro avvolgimenti come fanno i normali trasformatori. Ciò rappresenta un rischio per la sicurezza in quanto potrebbe consentire alla piena tensione di ingresso di un primario alto di passare direttamente all'uscita di un secondario basso.
Altro sull'elettronica
© riproduzione riservata
ultimo aggiornamento: 20 Giugno 2021
